Minn Kota All Terrain 65 Parts 2008 from

Minn Kota Maxxum 65 Parts. Parts & Repair Minn Kota Parts Minn Kota Trolling Motor Schematics -Minn Kota Maxxum 70# Foot Control Models (NOTE: This kit is used with pointed nose lower units Order Minn Kota Maxxum 65 (42 inch) Parts easily using FISH307.com's online schematic system

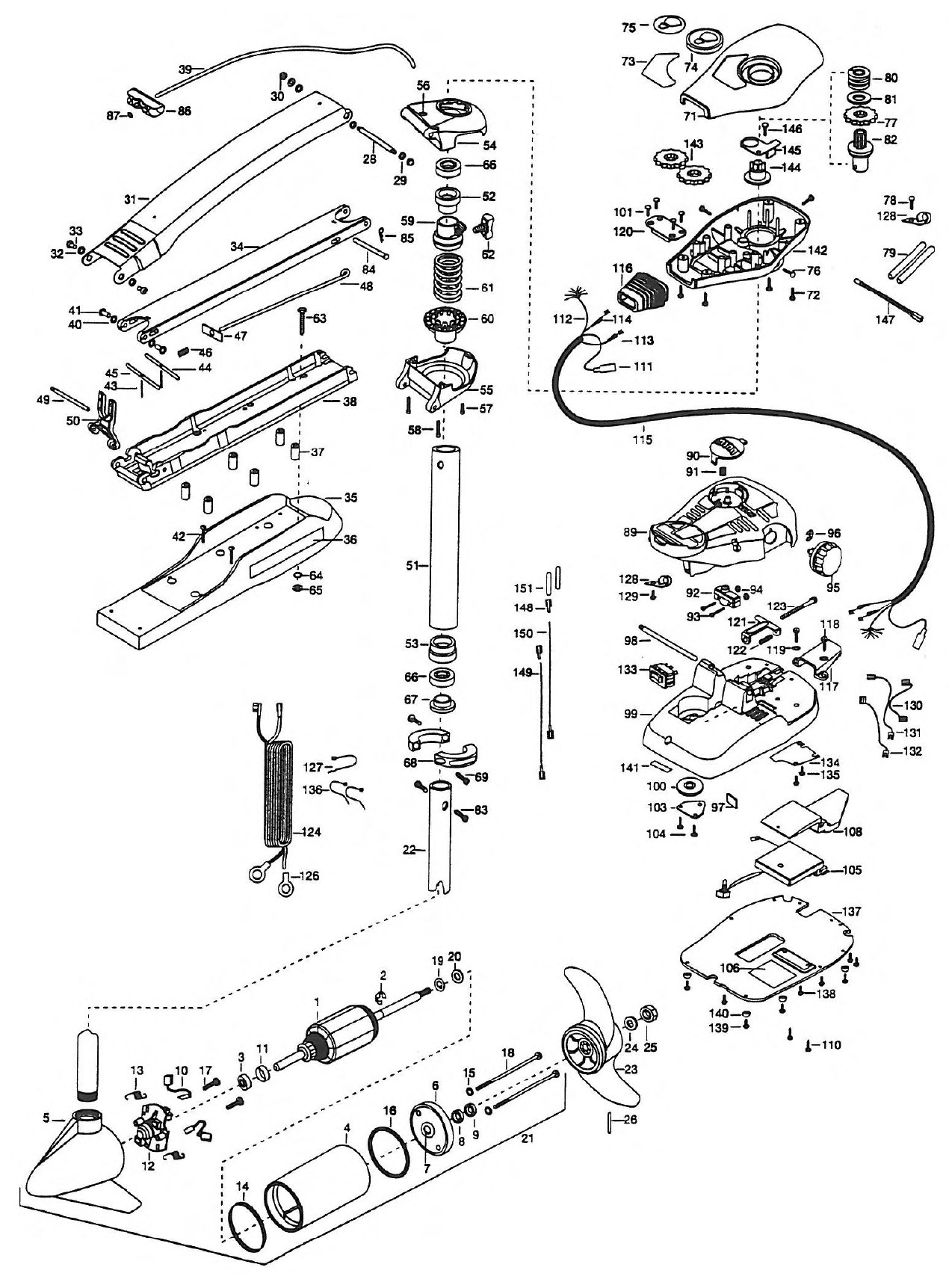
Minn Kota Maxxum 65 (42 inch) Parts 2000 from
Minn Kota Maxxum 65 (42 inch) Parts 2000 from from www.fish307.com

MKP-33 Trolling Motor Prop Compatible with Minn Kota 4" Motor Diameters,1865018 Weedless Wedge 2 Propeller Fit for Minnkota Ulterra,Maxxum,PowerDrive V2,Riptide,Terrova Trolling Motor 4.8 out of 5 stars E-Drive Series; Edge Series; Endura Max Series; Endura Series; Fortrex Series; Maxxum Series;

Minn Kota Maxxum 65 (42 inch) Parts 2000 from

Minn Kota Maxxum 65 Parts-2016; Minn Kota Maxxum 65 Parts-2016 E-Drive Series; Edge Series; Endura Max Series; Endura Series; Fortrex Series; Maxxum Series; Our Technical Support Team is available Monday - Friday from 7:00 am - 4:30 pm Central time

Minn Kota Parts Breakdown. Year: Model: 1999 "JJ" Maxxum 30T: Maxxum 36T: Maxxum 44BT: Maxxum 44T: Maxxum 55BT: Maxxum 55T: Maxxum 74BT: Maxxum 74T: 2000 "AA" Maxxum 40T: Maxxum 50T & 50BT: Maxxum 65T & 65BT: Rounded Nose Lower Units Use 92-100-271)-Minn Kota Maxxum 70# Hand Control Models-Minn Kota Pontoon Edge 70 Hand Control Models-Minn Kota Pontoon Powerdrive 68# Electric Steer Models-Minn Kota Powerdrive 65# Electric Steer Models (2005 and newer.

Parts & Repair Minn Kota Parts Minn Kota Trolling Motor Schematics. FISH307.com is a Minn Kota Authorized Service Center E-Drive Series; Edge Series; Endura Max Series; Endura Series; Fortrex Series; Maxxum Series;